262-226-8620

 Email us

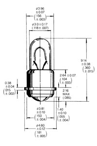
T-1 sub-midget flanged 1099

OL-1099

Quick Overview

Specifications
Design Voltage [V]12
Design Current [A]0.06
MSCd avg0.15
Filament ShapeC-2F
Life [h]16000