262-226-8620

 Email us

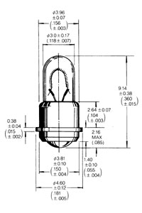
T-1 sub-midget flanged 1100

OL-1100

Quick Overview

Specifications
Design Voltage [V]18
Design Current [A]0.026
MSCd avg0.15
Filament ShapeC-2F
Life [h]10000