262-226-8620

 Email us

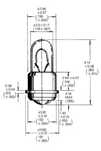
T-1 sub-midget flanged 1112

OL-1112

Quick Overview

Specifications
Design Voltage [V]14
Design Current [A]0.065
MSCd avg0.15
Filament ShapeC-2F
Life [h]12000