262-226-8620

 Email us

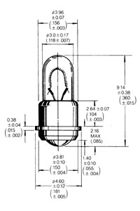
T-1 sub-midget flanged 3024

OL-3024

Quick Overview

Specifications
Design Voltage [V]12
Design Current [A]0.03
MSCd avg0.1
Filament ShapeC-2F
Life [h]10000