262-226-8620

 Email us

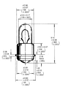
T-1 sub-midget flanged 3092S

OL-3092S

Quick Overview

Specifications
Design Voltage [V]24
Design Current [A]0.02
MSCd avg0.05
Filament ShapeCC-2F
Life [h]5000