262-226-8620

 Email us

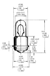
T-1 sub-midget flanged 3094

OL-3094

Quick Overview

Specifications
Design Voltage [V]6
Design Current [A]0.04
MSCd avg0.04
Filament ShapeC-2R
Life [h]10000