262-226-8620

 Email us

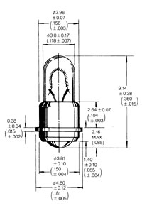
T-1 sub-midget flanged 679

OL-679

Quick Overview

Specifications
Design Voltage [V]3
Design Current [A]0.012
MSCd avg0.0005
Filament ShapeC-6
Life [h]25000