262-226-8620

 Email us

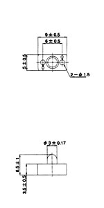
T-1 GT Grommet Lamp 3506

OL-3506GT

Quick Overview

Specifications
Design Voltage [V]14
Design Current [A]0.06
MSCd avg0.25
Filament Shape
Life [h]