262-226-8620

 Email us

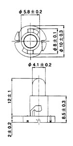
Neowedge T-1 1/4 NWA8.5 4032NWA8.5

OL-4032NWA8.5

Quick Overview

Specifications
Design Voltage [V]12
Design Current [A]0.04
MSCd avg0.12
Filament ShapeC-2F
Life [h]10000