262-226-8620

 Email us

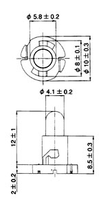
Neowedge T-1 1/4 NWA8.5 518NWA8.5

OL-518NWA8.5

Quick Overview

Specifications
Design Voltage [V]5
Design Current [A]0.115
MSCd avg0.15
Filament ShapeC-2R
Life [h]40000