262-226-8620

 Email us

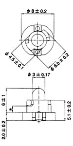
Neowedge T1 NW 3507NW

OL-3507NW

Quick Overview

Specifications
Design Voltage [V]12
Design Current [A]0.06
MSCd avg0.2
Filament Shape
Life [h]