262-226-8620

 Email us

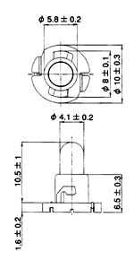
Neowedge T-1 1/4 NWA 4030NWA

OL-4030NWA

Quick Overview

Specifications
Design Voltage [V]14
Design Current [A]0.08
MSCd avg0.3
Filament ShapeC-2F
Life [h]15000