262-226-8620

 Email us

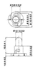
Neowedge T-1 1/4 NWA 4106NWA

OL-4106NWA

Quick Overview

Specifications
Design Voltage [V]12
Design Current [A]0.06
MSCd avg0.15
Filament ShapeC-2F
Life [h]16000