262-226-8620

 Email us

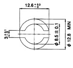
T-1 1/2 PBB PCB Lamp Bayonet 5015

OL-5015PBB

Quick Overview

Specifications
Design Voltage [V]14
Design Current [A]0.08
MSCd avg0.3
Filament ShapeC-2F
Life [h]15000