262-226-8620

 Email us

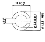
T-1 1/2 PBB PCB Lamp Bayonet 5059

OL-5059PBB

Quick Overview

Specifications
Design Voltage [V]14
Design Current [A]0.04
MSCd avg0.15
Filament ShapeC-2F
Life [h]8000